亚洲va综合va国产va中文Iwww操操I国产在线观看91I国产亚洲片I国产丝袜美腿在线I黄色精品在线看I免费观看成人I天天躁天天狠天天透

?
首頁
公司介紹
新聞中心
組織機構
服務理念
售后服務
聯系我們
產品中心
jtgk.png

產品中心

D671X氣動蝶閥

您的位置:閥門 - 蝶閥 - D671X氣動蝶閥 更新時間:2026-03-31 08:03:38
D671X氣動蝶閥
    • 質量安全:壓力、材質、密封等全方位檢測確保質量過關!
    • 價格比較:在相同品質的情況下,廠里直銷,更具有優勢!
    • 交貨快捷:常規產品現貨供應,生產加工銷售一條龍服務!
      上海凱利科閥門致力于高品質閥門的設計、研發、生產銷售服務于一體的大型閥門企業,科技創新,永不止步,與您攜手共創輝煌...

    • 產品描述
    • 在線詢價
    • 技術咨詢
    D671X氣動蝶閥D671X氣動蝶閥

    D671X氣動蝶閥是由氣動活塞式執行器、橡膠密封蝶閥和碳鋼或不銹鋼閥板、閥桿構成。氣動蝶閥適用于溫度≤120℃如食品、醫藥、化工、石油、電力、輕紡、造紙等給排水、氣體管道上作調節流量和截流介質的作用。

    產品名稱: 氣動蝶閥 產品型號: D671X、D671F
    公稱通徑: DN50~DN1000 閥座密封: 丁青橡膠、聚四氟乙烯
    公稱壓力: 1.0Mpa~1.6MPa 連接方式: 對夾、法蘭
    適用溫度: -20ºC~+150ºC 驅動方式: 手動、蝸輪、電動、氣動
    閥體材質: 鑄鐵、球墨鑄鐵、鑄鋼、不銹鋼 制造標準: 國標GB、德國DIN、美國API、ANSI
    適用介質: 水、油、氣體、粉體、液體 生產廠家: 上海凱利科閥門有限公司

    產品說明

    D671X氣動蝶閥是由氣動活塞式執行器、橡膠密封蝶閥和碳鋼或不銹鋼閥板、閥桿構成。氣動蝶閥適用于溫度≤120℃如食品、醫藥、化工、石油、電力、輕紡、造紙等給排水、氣體管道上作調節流量和截流介質的作用。

    主要特點

    (1)設計新穎、合理、結構獨特,重量輕,啟閉迅速。
    (2)操力矩小,操作方便,省力靈巧。
    (3)可以任何位置安裝,維修方便。
    (4)密封件可以更換,密封性能可靠達到雙向密封零泄漏。
    (5)密封材料耐老化、耐腐蝕,使用壽命長等特點。

    設計標準

    設計標準 GB/T12238-1989
    法蘭連接尺寸 GB/T9113.1-2000;GB/T9115.1-2000;JB78
    結構長度 GB/T12221-1989
    壓力試驗 GB/T13927-2000;JB/T9092-1999

    技術參數

    公稱通徑DN(mm) DN50~1000mm
    公稱壓力(MPa) PN1.0、1.6、2.5MPa
    閥體形式 直通鑄造閥體
    連接形式 法蘭式、對夾式
    閥芯形式 蝶板式
    密封填料 柔性石墨、聚四氟乙烯
    基本誤差 帶定位器:小于全行程的±2%
    回差 帶定位器:小于全行程的±2%
    控制方式 開關型(開關兩位控制)、調節型(4~20mA控制)

    氣動執行器參數

    執行器型號 GT、AT、AR、AW系列單雙作用氣動執行器
    供氣壓力 0.4~0.7MPa
    氣源接口 G1/4"、G1/8"、G3/8"、G1/2"
    環境溫度 -30~+70℃
    作用形式 單作用執行機構:氣關式(B)--失氣時閥位開(FO);氣開式(K)--失氣時閥位關(FC)
    雙作用執行機構:氣關式(B)--失氣時閥位保持(FL);氣開式(K)-- 失氣時閥位保持(FL)
    可配附件 定位器、電磁閥、空氣過濾減壓器、保位閥、行程開關、閥位傳送器、手輪機構等
    采用新型系列氣動執行器,有雙作用式和單作用式(彈簧復位),齒輪齒條傳動,安全可靠;大口徑閥門采用系列AW型氣動執行器拔叉式傳動,結構合理,輸出扭矩大,有雙作用式和單作用式。
    1、齒輪式雙活塞,輸出力矩大,體積小。
    2、氣缸選用鋁金材料,重量輕、外形美觀。
    3、可在頂部、底部安裝手動操作機構。
    4、齒條式連接可調節開啟角度、額定流量。
    5、執行器可選帶電訊號反饋指示及各類附件以實現自動化操作。
    6、IS05211標準連接為產品的安裝更換提供了方便。
    7、兩端調的節螺釘可使標準產品在0°和90°有±4°的可調范圍。確保與閥門的同步精度。

    零件材料

    零件名稱 主要材料
    閥體 灰鑄鐵、球墨鑄鐵、鑄鋼、合金鋼、不銹鋼
    蝶板 灰鑄鐵、球墨鑄鋼、鑄鋼、不銹鋼及特殊材料
    密封圈 各種橡膠、聚四氟
    閥桿 2Cr13、不銹鋼
    填料 O型圈、柔性石墨O

    性能規范

    公稱通徑 DN(mm) 50~1000
    公稱壓力 PN(MPa) 0.6 1.0 1.6
    試驗壓力 強度試驗 0.9 1.5 2.4
    密封試驗 0.66 1.1 1.76
    氣密封試驗 0.6 0.6 0.6
    適用介質 空氣、水、污水、蒸氣、煤氣、油品等。
    驅動形式 氣動傳動

    密封材料和適用溫度

    材料品種 氯丁橡膠 丁晴橡膠 乙丙橡膠 聚四氟乙烯 硅橡膠 氟橡膠 天然橡膠 尼龍
    英語簡稱 CR NBR EPDM PTFE SI VITON NR PA
    型號代號 X或J XA或JA XB或JB F或XC、JC XD或JD XE或JE X1 N
    耐最高溫度 82℃ 93℃ 150℃ 232℃ 250℃ 204℃ 85℃ 93℃
    耐最低溫度 -40℃ -40℃ -40℃ -268℃ -70℃ -23℃ -20℃ -73℃
    適用工作溫度 0~+80℃ -20~+82℃ -40~+125℃ -30~+150℃ -70~+150℃ -23~+150℃ -20~+85℃ -30~+93℃

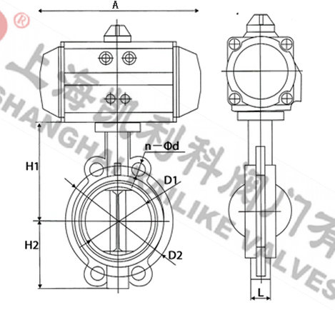
    外形結構圖

    主要外形連接尺寸

    公稱通徑 長度 外形尺寸(參考值) 連接尺寸(標準值)
    0.6MPa 1.0MPa 1.6MPa
    毫米 英寸 L H1 H2 A D D1 n-d D D1 n-d D D1 n-d
    50 2 43 63 315 180 140 110 4-14 165 125 4-18 165 125 4-18
    65 21/2 46 70 330 180 160 130 4-14 185 145 4-18 185 145 4-18
    80 3 46 83 390 245 190 150 4-18 200 160 8-18 200 160 8-18
    100 4 52 105 431 240 210 170 4-18 220 180 8-18 220 180 8-18
    125 5 56 115 455 240 240 200 8-18 250 210 8-18 250 210 8-18
    150 6 56 137 626 350 265 225 8-18 285 240 8-22 285 240 8-22
    200 8 60 164 720 350 320 280 8-18 340 295 8-22 340 295 12-22
    250 10 68 206 800 550 375 335 12-18 395 350 12-22 405 355 12-26
    300 12 78 230 860 600 440 395 12-22 445 400 12-22 460 410 12-26
    350 14 78 248 883 600 490 445 12-22 505 460 16-22 520 470 16-26
    400 16 102 289 972 600 540 495 16-22 565 515 16-26 580 525 16-30
    450 18 114 320 1043 750 595 550 16-22 615 565 20-26 640 585 20-30
    500 20 127 343 1098 750 645 600 20-22 670 620 20-26 715 650 20-33
    600 24 154 413 1236 750 755 705 20-26 780 725 20-30 840 770 20-36
    700 28 165 478 1431 750 860 810 24-26 895 840 24-30 910 840 24-36
    800 32 190 525 1488 750 975 920 24-30 1015 950 24-33 1025 950 24-39
    900 36 203 620 1615 1250 1075 1020 24-30 1115 1050 28-33 1125 1050 28-39
    1000 40 216 725 1765 1500 1175 1120 28-30 1230 1160 28-36 1255 1170 28-42
    1200 48 254 780 1976 1500 1405 1340 32-33 1455 1380 32-39 1485 1390 32-48

    聲明:【D671X氣動蝶閥】規格型號、結構尺寸由上海凱利科閥門有限公司提供,如何選擇適用的D671X氣動蝶閥產品,使之在工藝控制中安全可靠、經濟適用,可致電我司銷售部門及技術部門,我們將在最短的時間內為您解答!

    ?

    Copyright ?2011-2023 上海凱利科閥門有限公司,版權所有。 滬ICP備11046016號-29 網站地圖

    銷售電話:021-31001158

    手機號碼:13816746668 陳國輝/經理

    電子郵件:klkvalves@126.com@126.com

    主營產品:球閥,閘閥,蝶閥,截止閥,止回閥,調節閥

    本周熱門:不銹鋼阻火器全天候呼吸閥氣動球閥氣動蝶閥氣動刀閘閥氣動調節閥電動球閥電動蝶閥電動刀閘閥電動調節閥不銹鋼球閥不銹鋼閘閥不銹鋼截止閥不銹鋼止回閥不銹鋼電磁閥高壓電磁閥高壓球閥波紋管截止閥

    官方網址:m.whhpwx.com