z45x暗桿彈性座封閘閥(軟密封閘閥),零用閥門整體包膠產生變形補償作用達到良好的密封效果,克服了一般閘閥密封不良、漏水和生銹的現象,更有效的節約安裝空間。 可廣泛用于自來水、污水、建筑、石油、化工、食品、醫藥、輕紡、電力、船舶、治金、能源系統等流體管線上作為調節和截流裝置使用。
z45x暗桿軟密封閘閥廠家-凱利科閥門有限公司!詢價電話:31001158
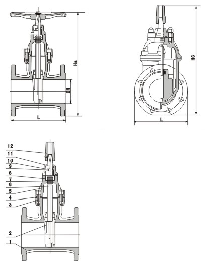
z45x暗桿軟密封閘閥主要技術參數
公稱壓力:1.0~2.5MPa
工作溫度:0~80℃
法蘭標準:GB/T 17241.6 GB9113
公稱通經:50~600mm
適用介質:水、油、氣等
試驗標準:GB13927 AP1598
z45x暗桿軟密封閘閥主要零部件材料
|
材 料
|
|
灰 鑄 鐵、球 墨 鑄 鐵、鑄 鋼
|
|
球 墨 鑄 鐵 外 覆 三 元 乙 丙 或 丁 腈 橡 膠
|
|
碳 化 處 理
|
|
丁 腈 橡 膠
|
|
灰 鑄 鐵、球 墨 鑄 鐵、鑄 鋼
|
|
不 銹 鋼
|
|
丁 腈 橡 膠
|
|
錫 青 銅
|
|
不 銹 鋼
|
|
球 墨 鑄 鐵、鑄 鋼
|
|
丁 腈 橡 膠
|
|
鑄 鐵
|
|
50
|
80
|
125
|
200
|
300
|
400
|
500
|
L
|
190
|
229
|
267
|
330
|
381
|
432
|
508
|
|
313
|
372
|
497
|
680
|
948
|
1220
|
1480
|
HC
|
375
|
476
|
600
|
875
|
1050
|
1310
|
1750
|
