亚洲va综合va国产va中文Iwww操操I国产在线观看91I国产亚洲片I国产丝袜美腿在线I黄色精品在线看I免费观看成人I天天躁天天狠天天透

?
首頁
公司介紹
新聞中心
組織機構
服務理念
售后服務
聯系我們
產品中心
jtgk.png

產品中心

ZLF自力式控制閥

您的位置:閥門 - 水力控制閥 - ZLF自力式控制閥 更新時間:2026-03-31 08:03:02
ZLF自力式控制閥
    • 質量安全:壓力、材質、密封等全方位檢測確保質量過關!
    • 價格比較:在相同品質的情況下,廠里直銷,更具有優勢!
    • 交貨快捷:常規產品現貨供應,生產加工銷售一條龍服務!
      上海凱利科閥門致力于高品質閥門的設計、研發、生產銷售服務于一體的大型閥門企業,科技創新,永不止步,與您攜手共創輝煌...

    • 產品描述
    • 在線詢價
    • 技術咨詢
    ZLF自力式控制閥ZLF自力式控制閥

    ZLF自力式控制閥是一種利用介質本身的壓力變化來進行自我調控,從而保持流經該被控系統流量不變的閥門,ZLF自力式控制閥具有流量指示,可在線調節,適用于供熱及空調系統等非腐蝕性介質的流量控制。運行前一次性測試調節,可使系統流量自動恒定在預先設置的設定值。ZLF自力式控制閥流量調節準確,操作簡單,運作平穩,性能可靠,使用壽命長。

    產品名稱: 自力式控制閥 產品型號: ZLF
    公稱通徑: DN15~DN350 功能作用: 控制流量、控制壓力
    公稱壓力: 1.6MPa 連接方式: 法蘭式、內螺紋
    適用溫度: -0ºC~+80ºC 驅動方式: 自力式
    閥體材質: 球墨鑄鐵、鑄鋼、不銹鋼 制造標準: 國標GB、德國DIN、美國API、ANSI
    適用介質: 水、油、液體等 生產廠家: 上海凱利科閥門有限公司

    產品說明

    ZLF自力式控制閥是一種利用介質本身的壓力變化來進行自我調控,從而保持流經該被控系統流量不變的閥門,ZLF自立式平衡閥具有流量指示,可在線調節,適用于供熱及空調系統等非腐蝕性介質的流量控制。運行前一次性測試調節,可使系統流量自動恒定在預先設置的設定值。ZLF自力式控制閥流量調節準確,操作簡單,運作平穩,性能可靠,使用壽命長。

    產品特點

    1、可按設計要求或實際要求設定流量,自動消除系統的壓差波動,保持流量不變。
    2、克服系統冷熱不均現象,提高供冷水(熱水)的質量。
    3、徹底解決近端壓差大,遠差壓差的矛盾。
    4、減少系統循環水量,減低系統阻力。
    5、減少設計工作量,不需對管道進行繁瑣的水力平衡計算,管網設計簡單,維修方便,節約造價。
    6、采用先進的技術膜片,理論誤差為零,且可承受0.8的壓差,整圈流量顯示均為測試值。

    零部件材料

    零件名稱 材料
    閥體、閥蓋 灰鑄鐵、球鐵、鑄鋼、不銹鋼
    閥桿 不銹鋼
    閥瓣 鑄銅
    膜片 丁腈橡膠

    性能規范

    型號 ZLF-16
    公稱壓力 1.6 MPa
    殼體試驗壓力 2.4MPa
    使用介質 水、油等非腐蝕性液體
    介質溫度 0-80℃

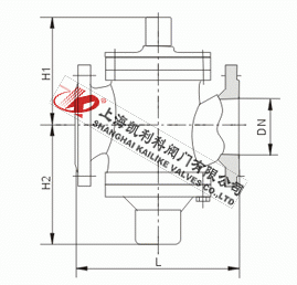
    外形結構圖

    主要外形尺寸

    產品型號 公稱通徑 (mm) L H1 H2 流量控制范圍 m3/h
    ZLF-16 15 110 122 70 0.1~1
    ZLF-16 20 110 122 70 0.1~1.5
    ZLF-16 25 115 137 74 0.2~2
    ZLF-16 32 160 182 91 0.5~4
    ZLF-16 40 200 191 147 1~6
    ZLF-16 50 215 197 147 2~10
    ZLF-16 65 230 205 154 3~15
    ZLF-16 80 275 259 181 5~25
    ZLF-16 100 290 268 211 10~35
    ZLF-16 125 315 334 227 15~50
    ZLF-16 150 350 357 260 30~80
    ZLF-16 200 430 407 303 40~180
    ZLF-16 250 520 452 367 100~300
    ZLF-16 300 635 486 430 150~500
    ZLF-16 350 670 555 495 200~700

    安裝示意圖


    聲明:【ZLF自力式控制閥】規格型號、結構尺寸由上海凱利科閥門有限公司提供,如何選擇適用的ZLF自力式控制閥產品,使之在工藝控制中安全可靠、經濟適用,可致電我司銷售部門及技術部門,我們將在最短的時間內為您解答!

    上一篇:沒有了 下一篇:ZL47F自力式流量控制閥

    ?

    Copyright ?2011-2023 上海凱利科閥門有限公司,版權所有。 滬ICP備11046016號-29 網站地圖

    銷售電話:021-31001158

    手機號碼:13816746668 陳國輝/經理

    電子郵件:klkvalves@126.com@126.com

    主營產品:球閥,閘閥,蝶閥,截止閥,止回閥,調節閥

    本周熱門:不銹鋼阻火器全天候呼吸閥氣動球閥氣動蝶閥氣動刀閘閥氣動調節閥電動球閥電動蝶閥電動刀閘閥電動調節閥不銹鋼球閥不銹鋼閘閥不銹鋼截止閥不銹鋼止回閥不銹鋼電磁閥高壓電磁閥高壓球閥波紋管截止閥

    官方網址:m.whhpwx.com