亚洲va综合va国产va中文Iwww操操I国产在线观看91I国产亚洲片I国产丝袜美腿在线I黄色精品在线看I免费观看成人I天天躁天天狠天天透

?
首頁
公司介紹
新聞中心
組織機構
服務理念
售后服務
聯系我們
產品中心
jtgk.png

產品中心

FQ41F46襯氟放料球閥

您的位置:閥門 - 放料閥 - FQ41F46襯氟放料球閥 更新時間:2026-03-31 08:03:31
FQ41F46襯氟放料球閥
    • 質量安全:壓力、材質、密封等全方位檢測確保質量過關!
    • 價格比較:在相同品質的情況下,廠里直銷,更具有優勢!
    • 交貨快捷:常規產品現貨供應,生產加工銷售一條龍服務!
      上海凱利科閥門致力于高品質閥門的設計、研發、生產銷售服務于一體的大型閥門企業,科技創新,永不止步,與您攜手共創輝煌...

    • 產品描述
    • 在線詢價
    • 技術咨詢
    FQ41F46襯氟放料球閥FQ41F46襯氟放料球閥

    FQ41F46襯氟放料球閥適用在-50℃~150℃的各種濃度的水、硫酸、鹽酸、氫氟酸和各種有機酸、強酸、強氧化劑,FEP還適用于各種濃度的強堿有機溶劑以及其它腐蝕性氣體、液體介質的管路上使用。

    產品名稱: 襯氟放料球閥 產品型號: FQ41F46
    公稱通徑: DN25~DN200 結構形式: 球形
    公稱壓力: 1.6MPa~2.5MPa~4.0MPa 連接方式: 法蘭
    適用溫度: -29ºC~+180ºC 驅動方式: 手動、氣動、電動
    閥體材質: 鑄鋼、不銹鋼 制造標準: 國標GB、德國DIN、美國API、ANSI
    適用介質: 水、液體、顆粒狀顆粒等 生產廠家: 上海凱利科閥門有限公司

    產品說明

    FQ41F46襯氟放料球閥適用在-50℃~150℃的各種濃度的水、硫酸、鹽酸、氫氟酸和各種有機酸、強酸、強氧化劑,FEP還適用于各種濃度的強堿有機溶劑以及其它腐蝕性氣體、液體介質的管路上使用。

    產品特點

    1、采用氟塑料襯里層的球閥,具有極高的化學穩定性,適用于任何強腐蝕性化學介質;
    2、采用全通浮動球閥結構,在整個壓力范圍內進行元泄漏關閉,便便于管路系統在通球掃線和管路維護;
    3、流體阻力小,襯里球閥內壁光滑,流道通暢是所有閥類中流體阻力最小的一種。
    4、.開關迅速、方便,只需將球體旋轉90°,便完成開戶和關閉動作;
    5、采用特殊模壓工藝,將襯里材料襯于閥門殼體內壁,能耐強酸、強堿介質的腐蝕。襯里球面與PTFE閥座組合,密封性好,達到了零泄漏;
    6、可配置氣動、電動、液動等多種驅動裝置,實現遠距離控制和自動化操作;
    7、球體與閥桿融為一體,消除了轉動角差,杜絕了因壓力變化引起閥桿沖出體外的危險,保證了使用的安全性、可靠性;

    襯里材料

    聚三氟乙烯 PCTEF (F3) 適用介質:各種有機溶劑,無機腐蝕液(氧化性酸類) 使用溫度:-195~120特點:耐熱性,電性能和化學穩定性僅次于F4,機械強度,蠕變性能,硬度比F4好些
    聚全氟乙烯FEP (F46) 適用介質:任何有機溶劑或試劑,稀或濃無 機 酸,堿,酮,芳烴,氯化烴等。使用溫度: -85~150特點:力學,電性能和化學穩定性基本與F4相同,但突出優點是動擊韌性 高,有極好的耐候性和輻射性。
    聚烯烴PO 適用介質:各種濃度的酸堿鹽及某些有機溶劑。
    使用溫度:-58~80特點:是目前世界最理想的防腐材料,已廣泛用于旋轉成型的大型設備和管道件內襯。
    聚偏氯乙烯 PVDF(F2) 使用介質:耐大多數化學藥品和溶劑,使用溫度:-70~100特點:拉紳強度與壓縮強度比F4好,耐彎折,耐候,耐輻射。耐光和老化等,最大特 點是韌性好,易成型。 
    聚四氯乙烯 PTFE(F4) 使用介質:強酸,強堿,強氧化劑等。使用溫度:-200~180特點:具有優異的化學穩定性,有很高的耐熱性,耐寒性,磨擦系數很低,是極好的 自潤滑材料,但機械性能較低,流動性差,熱膨脹大。
    聚氯乙烯: 硬質)PVC 適用介質:耐水,濃堿,非氧化性酸,鏈烴,油和臭氧等。使用溫度:0-55特點:機械強度較高,化學穩定性及介電性能優良,耐油性和抗老性也較好,易熔接及粘合,價格較低。
    聚丙烯: RPP 適用介質:無機鹽類的水溶液,無 機 酸類,堿類的稀或濃溶液。使用溫度:-14~80特點:最輕的塑料之一,其屈服,拉伸和壓縮強度,硬度均優于低壓聚乙烯,有很突出的剛性,耐熱性好,易成型,優廉。改性后動擊性,流動性,彎曲彈性。

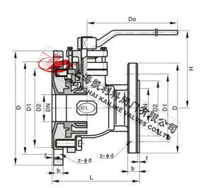
    外形結構圖

     

    主要外形尺寸

    公稱通徑 PN1.6(MPa) 主要外形尺寸和連接尺寸 (mm) 重量
    DN L D D1 D2 f b z-φd D0 H kg
    32 140 135/160 100/130 78/115 3/3 18/20 4-φ14/4-φ18 200 130 9
    40 160 145/185 110/150 85/125 3/4 18/22 4-φ18/4-φ18 230 135 15
    79 標 50 170 160/205 125/170 100/140 3/4 20/24 4-φ18/4-φ18 250 140 18
    80 200 195/245 160/200 130/175 4/5 22/26 4-φ18/8-φ18 300 205 35
    69 標 50 170 160/230 125/190 100/140 3/4 20/24 4-φ18/8-φ14 250 140 18
    80 200 195/245 160/210 130/175 4/5 22/26 4-φ18/10-φ14 300 205 35
    100 280 215/280 180/240 150/210 4/5 24/28 8-φ18/8-φ23 350 230 44
     

    聲明:【FQ41F46襯氟放料球閥】規格型號、結構尺寸由上海凱利科閥門有限公司提供,如何選擇適用的FQ41F46襯氟放料球閥產品,使之在工藝控制中安全可靠、經濟適用,可致電我司銷售部門及技術部門,我們將在最短的時間內為您解答!

    ?

    Copyright ?2011-2023 上海凱利科閥門有限公司,版權所有。 滬ICP備11046016號-29 網站地圖

    銷售電話:021-31001158

    手機號碼:13816746668 陳國輝/經理

    電子郵件:klkvalves@126.com@126.com

    主營產品:球閥,閘閥,蝶閥,截止閥,止回閥,調節閥

    本周熱門:不銹鋼阻火器全天候呼吸閥氣動球閥氣動蝶閥氣動刀閘閥氣動調節閥電動球閥電動蝶閥電動刀閘閥電動調節閥不銹鋼球閥不銹鋼閘閥不銹鋼截止閥不銹鋼止回閥不銹鋼電磁閥高壓電磁閥高壓球閥波紋管截止閥

    官方網址:m.whhpwx.com