D673H不銹鋼調節蝶閥
D673H不銹鋼調節蝶閥采用一個“U”型不銹鋼密封圈,該精密的彈性密封圈與經過拋光的蝶板三維偏心接觸。解決了傳統偏心蝶閥在啟閉0°~10°瞬間密封面仍處于滑動接觸摩擦的弊病,實現蝶板在開啟瞬間密封面即分離,關閉接觸即密封的效果,達到延長使用壽命、密封性能最佳的目的。因此被廣泛地應用到介質溫度≤550℃的冶金、電力、石油、化工、空氣、煤氣、可燃氣體以及給排水等腐蝕性介質的管道上,是調節流量和截斷流體的最佳裝置。
|
產品名稱: |
不銹鋼調節蝶閥 |
產品型號: |
D673H |
|
公稱通徑: |
DN50~DN1000 |
閥座密封: |
軟密封、硬密封 |
|
公稱壓力: |
1.0Mpa~4.0MPa |
連接方式: |
對夾、法蘭 |
|
適用溫度: |
-20ºC~+150ºC~425ºC |
驅動方式: |
手動、蝸輪、電動、氣動 |
|
閥體材質: |
鑄鋼、不銹鋼 |
制造標準: |
國標GB、德國DIN、美國API、ANSI |
|
適用介質: |
水、油、蒸汽、氣體、粉體、液體 |
生產廠家: |
上海凱利科閥門有限公司 |
產品說明
D673H不銹鋼調節蝶閥采用一個“U”型不銹鋼密封圈,該精密的彈性密封圈與經過拋光的蝶板三維偏心接觸。解決了傳統偏心蝶閥在啟閉0°~10°瞬間密封面仍處于滑動接觸摩擦的弊病,實現蝶板在開啟瞬間密封面即分離,關閉接觸即密封的效果,達到延長使用壽命、密封性能最佳的目的。因此被廣泛地應用到介質溫度≤550℃的冶金、電力、石油、化工、空氣、煤氣、可燃氣體以及給排水等腐蝕性介質的管道上,是調節流量和截斷流體的最佳裝置。
產品特點
1、該蝶閥結構簡單、緊湊、重量輕、易于安裝和拆卸、維修方便;
2、本蝶閥采用不銹鋼“U”型密封圈,具有一定的彈性無論在高溫、低溫的情況下,它與蝶板均具有優良的密封性;
3、本蝶閥的三維偏心距,經過嚴格的計算,“U”型密封圈與蝶板幾乎無磨擦,使用壽命長,并具有越關越緊的功能;
4、蝶板密封面采用堆焊鈷基硬質合金,密封面耐磨損,使用壽命長;
5、本蝶閥結構獨特,“開關”僅需轉動閥桿90°即可完成。操作靈活、方便、省力、不受介質壓力的高低影響,密封性能可靠;
6、耐高溫、耐低溫、耐腐蝕性。
采用標準
設計標準 :GB/T12238-1989
結構長度:GB/T12221-1989
壓力試驗:GB/T13927-1992;JB/T9092-1999
執行機構
采用新型系列GT型氣動執行器,有雙作用式和單作用式(彈簧復位),齒輪傳動,安全可靠;大口徑閥門采用系列AW型氣動執行器拔叉式傳動,結構合理,輸出扭矩大,有雙作用式和單作用式
1、齒輪式雙活塞,輸出力矩大,體積小。
2、氣缸選用鋁金材料,重量輕、外形美觀。
3、可在頂部、底部安裝手動操作機構。
4、齒條式連接可調節開啟角度、額定流量。
5、執行器可選帶電訊號反饋指示及各類附件以實現自動化操作。
6、IS05211標準連接為產品的安裝更換提供了方便。
7、兩端調的節螺釘可使標準產品在0°和90°有±4°的可調范圍。確保與閥門的同步精度。
附件選項
根據不同控制和要求可選擇下列附件:
切斷型附件:單電控電磁閥、雙電控電磁閥、限位開關回訊器。
調節型附件:電氣定位器、氣動定位器、電氣轉換器。
氣源處理附件:空氣過濾減壓閥、氣源處理三聯件。
手動機構:JFSD手操機構
技術參數
|
公稱通徑 |
DN(mm) |
50~1200 |
|
公稱壓力 |
PN(MPa) |
0.6 |
1.0 |
1.6 |
2.5 |
4.0 |
|
試驗壓力 |
強度試驗 |
0.9 |
1.5 |
2.4 |
3.75 |
6.0 |
|
密封試驗 |
0.66 |
1.1 |
1.76 |
2.75 |
4.4 |
|
氣密封試驗 |
0.6 |
0.6 |
0.6 |
0.6 |
0.6 |
|
適用介質 |
水、蒸氣、油品、酸類腐蝕性等。 |
|
適用溫度 |
碳鋼 :-29℃~600℃ 不銹鋼-40℃~600℃ |
主要零件材質
|
零件名稱 |
材料 |
|
閥體 |
鑄鐵、鑄鋼、不銹鋼、鉻鉬鋼、合金鋼 |
|
蝶板 |
鑄鋼、合金鋼(鍍硬鉻)、不銹鋼、鉻鉬鋼 |
|
密封圈 |
不銹鋼、聚內脂、抗磨材料 |
|
閥桿 |
2Cr13、1Cr13不銹鋼、鉻鉬鋼 |
|
填料 |
柔性石墨 |
三偏心特點及原理
1、偏離管道中心
2、偏離密封面中心
3、傾斜的錐形
當閥門開啟時,蝶板與閥座在關閉時瞬間接觸,利用蝶板偏心1、偏心2迅速脫離閥座,降低了密封副的磨損,磨擦力矩小,開啟靈活。偏心錐面3,使閥門在開啟或關閉時蝶板能通過閥座內孔,實現接觸密封。另外,錐形蝶板的旋轉半徑大于密封副接觸位置的旋轉半徑,故蝶板在閥門關閉時將出現越關越緊,能夠實現自鎖,防止蝶板過位。
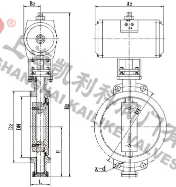
外形結構圖
主要外形尺寸PN0.6~1.0MPa
|
公稱通徑 |
結構長度
標準值 |
外形尺寸(參考值) |
連接尺寸(標準值) |
重量 (kg) |
|
H |
H2 |
A2 |
B2 |
PN0.6MPa |
PN1.0MPa |
|
毫米 |
英寸 |
L |
D1 |
Z-d |
D1 |
Z-d |
|
50 |
2 |
43 |
112 |
625 |
245 |
72 |
110 |
4-14 |
125 |
4-18 |
11 |
|
65 |
21/2 |
46 |
115 |
625 |
245 |
72 |
130 |
4-14 |
145 |
4-18 |
12 |
|
80 |
3 |
49 |
120 |
645 |
245 |
72 |
150 |
4-18 |
160 |
8-18 |
14 |
|
100 |
4 |
56 |
138 |
675 |
355 |
92 |
170 |
4-18 |
180 |
8-18 |
16 |
|
125 |
5 |
64 |
164 |
715 |
355 |
92 |
200 |
8-18 |
210 |
8-18 |
26 |
|
150 |
6 |
70 |
175 |
800 |
355 |
92 |
225 |
8-18 |
240 |
8-22 |
28 |
|
200 |
8 |
71 |
208 |
850 |
250 |
170 |
280 |
8-18 |
295 |
8-22 |
44 |
|
250 |
10 |
76 |
243 |
925 |
250 |
170 |
335 |
12-18 |
350 |
12-22 |
68 |
|
300 |
12 |
83 |
283 |
1035 |
450 |
220 |
395 |
12-22 |
400 |
12-22 |
85 |
|
350 |
14 |
92 |
310 |
1070 |
450 |
220 |
445 |
12-22 |
460 |
16-22 |
121 |
|
400 |
16 |
102 |
340 |
1190 |
450 |
220 |
495 |
16-22 |
515 |
16-22 |
140 |
|
450 |
18 |
114 |
380 |
1250 |
650 |
280 |
550 |
16-22 |
565 |
20-26 |
190 |
|
500 |
20 |
127 |
410 |
1290 |
650 |
280 |
600 |
20-22 |
620 |
20-26 |
260 |
|
600 |
24 |
154 |
470 |
1455 |
850 |
380 |
705 |
20-26 |
725 |
20-30 |
380 |
|
700 |
28 |
165 |
550 |
1585 |
850 |
380 |
810 |
24-26 |
840 |
24-30 |
450 |
|
800 |
32 |
190 |
640 |
1700 |
1250 |
380 |
920 |
24-30 |
950 |
24-33 |
650 |
|
900 |
36 |
203 |
710 |
1965 |
1250 |
380 |
1020 |
24-30 |
1050 |
28-33 |
830 |
|
1000 |
40 |
216 |
770 |
2015 |
1250 |
380 |
1120 |
28-30 |
1160 |
28-36 |
1050 |
|
1200 |
48 |
254 |
890 |
2250 |
1250 |
380 |
1340 |
32-33 |
1380 |
32-39 |
1400 |
用戶注意:表中H1、H2、H3尺寸均可根據用戶需要加長(長桿蝶閥),若需特殊材料定貨
主要外形尺寸PN1.6~2.5MPa
|
公稱通徑 |
結構長度 標準值 |
外形尺寸(參考值) |
連接尺寸(標準值) |
重量 (kg) |
|
H |
H2 |
A2 |
B2 |
PN1.6MPa |
PN2.5MPa |
|
毫米 |
英寸 |
L |
D1 |
Z-d |
D1 |
Z-d |
|
50 |
2 |
43 |
112 |
625 |
245 |
72 |
125 |
4-14 |
125 |
4-18 |
11 |
|
65 |
21/2 |
46 |
115 |
625 |
245 |
72 |
145 |
4-14 |
145 |
8-18 |
12 |
|
80 |
3 |
49 |
120 |
645 |
245 |
72 |
160 |
8-18 |
160 |
8-18 |
15 |
|
100 |
4 |
56 |
138 |
675 |
355 |
92 |
180 |
8-18 |
190 |
8-22 |
17 |
|
125 |
5 |
64 |
164 |
715 |
355 |
92 |
210 |
8-18 |
220 |
8-26 |
27 |
|
150 |
6 |
70 |
175 |
800 |
355 |
92 |
240 |
8-22 |
250 |
8-26 |
29 |
|
200 |
8 |
71 |
208 |
850 |
250 |
170 |
295 |
12-22 |
310 |
12-26 |
45 |
|
250 |
10 |
76 |
243 |
925 |
250 |
170 |
355 |
12-26 |
370 |
12-30 |
69 |
|
300 |
12 |
83 |
283 |
1035 |
450 |
220 |
410 |
12-26 |
430 |
16-30 |
86 |
|
350 |
14 |
92 |
310 |
1070 |
450 |
220 |
470 |
16-26 |
490 |
16-33 |
122 |
|
400 |
16 |
102 |
340 |
1190 |
450 |
220 |
525 |
16-30 |
550 |
16-36 |
141 |
|
450 |
18 |
114 |
380 |
1250 |
650 |
280 |
585 |
20-30 |
600 |
20-36 |
191 |
|
500 |
20 |
127 |
410 |
1290 |
650 |
280 |
650 |
20-33 |
660 |
20-36 |
260 |
|
600 |
24 |
154 |
470 |
1455 |
850 |
380 |
770 |
20-36 |
770 |
20-39 |
380 |
|
700 |
28 |
165 |
550 |
1585 |
850 |
380 |
840 |
24-36 |
875 |
24-42 |
450 |
|
800 |
32 |
190 |
640 |
1700 |
1250 |
380 |
950 |
24-39 |
990 |
24-48 |
650 |
|
900 |
36 |
203 |
710 |
1865 |
1250 |
380 |
1050 |
28-39 |
1090 |
28-48 |
830 |
|
1000 |
40 |
216 |
770 |
2015 |
1250 |
380 |
1170 |
28-42 |
1210 |
28-56 |
1050 |
|
1200 |
48 |
254 |
890 |
2250 |
1250 |
380 |
1390 |
32-48 |
1420 |
32-56 |
1400 |
用戶注意:表中H1、H2、H3尺寸均可根據用戶需要加長(長桿蝶閥),若需特殊材料定貨
主要外形尺寸PN4.0MPa
|
公稱通徑 |
結構長度 標準值 |
外形尺寸(參考值) |
連接尺寸 標準值 |
|
H |
H2 |
A2 |
B2 |
PN40MPa |
|
毫米 |
英寸 |
L |
D1 |
Z-d |
|
50 |
2 |
43 |
112 |
625 |
250 |
170 |
125 |
4-14 |
|
65 |
21/2 |
46 |
115 |
625 |
250 |
170 |
145 |
8-18 |
|
80 |
3 |
49 |
120 |
645 |
250 |
170 |
160 |
8-18 |
|
100 |
4 |
56 |
138 |
675 |
250 |
170 |
190 |
8-22 |
|
125 |
5 |
64 |
164 |
715 |
450 |
220 |
220 |
8-26 |
|
150 |
6 |
70 |
175 |
800 |
450 |
220 |
250 |
8-26 |
|
200 |
8 |
71 |
208 |
850 |
450 |
220 |
320 |
12-30 |
|
250 |
10 |
76 |
243 |
925 |
450 |
280 |
385 |
12-33 |
|
300 |
12 |
83 |
283 |
1035 |
650 |
280 |
450 |
16-33 |
|
350 |
14 |
92 |
310 |
1070 |
650 |
280 |
510 |
16-36 |
|
400 |
16 |
102 |
340 |
1190 |
650 |
280 |
585 |
16-39 |
|
450 |
18 |
114 |
380 |
|
|
|
610 |
20-39 |
|
500 |
20 |
127 |
410 |
|
|
|
670 |
20-42 |
注:法蘭標準:GB/T9113.1-2000 GB/T9113.2-2000 GB/T911.5.1-2000 GB/T9115.2-2000
用戶注意:表中H1、H2、H3尺寸均可根據用戶需要加長(長桿蝶閥),若需特殊材料定貨時提出。
聲明:【D673H不銹鋼調節蝶閥】規格型號、結構尺寸由上海凱利科閥門有限公司提供,如何選擇適用的D673H不銹鋼調節蝶閥產品,使之在工藝控制中安全可靠、經濟適用,可致電我司銷售部門及技術部門,我們將在最短的時間內為您解答! |